Aluminiumprofile für den Camperselbstausbau: Flexibilität, Leichtigkeit und Robustheit in einem
Entdecke die perfekte Lösung für deinen Camperselbstausbau mit unseren hochwertigen Aluminiumprofilen. Sie bieten dir die ideale Kombination aus Stabilität, Leichtigkeit und Flexibilität, um deine individuellen Ausbauideen umzusetzen. Egal, ob du Regale, Möbel, Bettgestelle oder sogar ein spezielles Stauraumsystem für deinen Camper realisieren möchtest – mit unseren Aluminiumprofilen gelingt dir jedes Projekt.
Vorteile unserer Aluminiumprofile:
-
Hochwertiges Material: Unsere Aluminiumprofile zeichnen sich durch ihre hohe Korrosionsbeständigkeit und Langlebigkeit aus. Sie sind besonders widerstandsfähig gegen Feuchtigkeit und extreme Witterungsbedingungen – perfekt für den Einsatz im Camper.
-
Leicht und stabil: Aluminium ist im Vergleich zu anderen Materialien oder Profilsystemen sehr leicht, was den Gesamtgewicht des Ausbaus minimiert. Gleichzeitig bieten unsere Profile die nötige Stabilität, um auch bei intensiver Nutzung zuverlässig zu halten.
-
Vielseitige Anwendungsmöglichkeiten: Die Aluminiumprofile sind einfach zu verarbeiten und lassen sich flexibel kombinieren. So kannst du sie für Regalsysteme, Möbelbau, Verkleidungen und viele weitere Anwendungen im Camperbereich nutzen.
-
Einfache Montage: Durch die vielfältigen Verbindungsmöglichkeiten und die kompatiblen Verbindungselemente sind die Profile schnell und unkompliziert zu montieren. So sparst du Zeit und Aufwand bei deinem Ausbau.
-
Individuelle Anpassung: Unsere Aluminiumprofile sind in verschiedenen Größen und Varianten erhältlich, sodass du sie perfekt an deine Bedürfnisse anpassen kannst. Die Profile lassen sich auch selbst einfach zuschneiden und miteinander verbinden – so entsteht dein maßgeschneiderter Campertraum.
Warum Aluminium für den Camperselbstausbau?
Aluminium ist der ideale Werkstoff für den Camperselbstausbau, da es extrem leicht und gleichzeitig sehr robust ist. Gerade beim Umbau eines Campers ist das Gewicht ein entscheidender Faktor. Gleichzeitig benötigst du Materialien, die zuverlässig und langlebig sind, da dein Camper oft extremen Bedingungen ausgesetzt ist.
Einfache Integration in bestehende Systeme
Dank der Kompatibilität mit gängigen Montagesystemen kannst du die Aluminiumprofile problemlos in deinen bestehenden Ausbau integrieren. Ob du bereits ein Basisfahrzeug hast oder noch am Anfang stehst – unsere Aluminiumprofile bieten dir die nötige Flexibilität, um deine Vorstellungen zu realisieren.
Fazit:
Mit unseren Aluminiumprofilen für den Camperselbstausbau erhältst du das perfekte Bauelement, das Leichtigkeit, Stabilität und Vielseitigkeit vereint. Perfekt für DIY-Enthusiasten, die einen robusten, aber leichten und funktionalen Ausbau suchen. Hol dir jetzt die Materialien, die deinen Camper zu einem maßgeschneiderten Unikat machen!
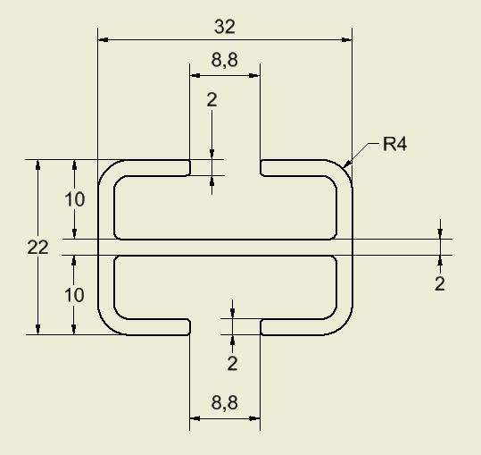
Gewichte für Profile
Sonderprofil 32×22 mm 545 g / Meter
Rundrohr 20×2 300 g / Meter
Rundrohr 25×2 390 g / Meter
Rundrohr 30×2 475 g / Meter








Rezensionen
Es gibt noch keine Rezensionen.